ENEM 2025/094
Régua elétricas são dispositivos que permitem a ligação segura e simultânea de dois ou mais aparelhos eletroeletrônicos à rede elétrica. Uma estudante comprou uma régua com seis tomadas, conforme a figura. Essa régua suporta uma intensidade máxima de corrente elétrica igual a \( 20\,\text{A} \). Acima desse valor, o fusível de segurança da régua se rompe, inutilizando-a até que um novo fusível seja instalado. Considere as potências nominais de alguns aparelhos eletroeletrônicos apresentados no quadro.

| Aparelho | Potência (watt) |
|---|---|
| Luminária de LED | \( 5 \) |
| Computador | \( 250 \) |
| Impressora a laser | \( 660 \) |
| Secador de cabelos | \( 750 \) |
| Cafeteira | \( 900 \) |
| Condicionador de ar portátil | \( 1100 \) |
Em um dia quente, a estudante mantém o computador e o condicionador de ar portátil ligados à régua permanentemente. Nessa situação, ela tenta realizar algumas atividades, uma de cada vez, utilizando a mesma régua, na seguinte ordem:
Sabe-se que a régua foi ligada à tensão elétrica de , adequada para o funcionamento desses aparelhos.
Considerando a ordem das tentativas, quantas atividades a estudante conseguiu realizar sem queimar o fusível?
ENEM 2025/108
Para transportar uma caixa do primeiro para o segundo piso de uma construção, um trabalhador precisará arrastá-la sobre um plano inclinado. O trabalhador começa a arrastar a caixa no primeiro piso, exercendo sobre ela uma força de grande intensidade, paralela ao seu deslocamento. Na medida em que a caixa sobe o plano inclinado, ele decide reduzir a força sobre ela, arrastando-a lentamente até chegar ao segundo piso. Considere que a caixa permanece em movimento nos encontros dos pisos com o plano inclinado, e que a rugosidade entre as superfícies permanece a mesma durante todo o percurso.
O comportamento da força de atrito entre a caixa e o chão e o plano inclinado é representado em:





ENEM 2025/110
A química nuclear é uma importante ferramenta na produção de substâncias utilizadas na área da saúde humana. A radiação emitida pelo cobalto-60 é utilizada na medicina como ferramenta de diagnóstico e no tratamento do câncer. No entanto, esse radioisótopo tem um tempo de armazenamento limitado, pois seu tempo de meia-vida é de \( 5{,}3 \,\text{anos} \). Considere um frasco com uma amostra contendo \( 2{,}00 \,\text{mg} \) de cobalto-60, armazenado durante um período de \( 26{,}5 \,\text{anos} \).
A massa de cobalto-60, em miligrama, que restará ao final desse tempo é mais próxima de
ENEM 2025/113
A Figura 1 apresenta o esquema de um tubo de imagem em que um filamento, na posição A, libera elétrons por efeito termiônico. Esses elétrons formam um feixe estreito, que é acelerado por campos elétricos em direção à parte interna da tela. Nesse caminho, o feixe de elétrons passa por outro campo elétrico, na região B, atingindo, em seguida, a parte interna da tela do tubo, a qual é recoberta por um material que emite luz ao receber o impacto dos elétrons.

Na Figura 2, a carga negativa representa o feixe de elétrons que é acelerado e, posteriormente, atinge um ponto da tela. O campo elétrico na região B apresenta a seguinte configuração: o feixe se desloca horizontalmente para a direita, enquanto o campo elétrico aponta verticalmente para cima.

Nessa situação, qual ponto da tela será atingido pelo feixe de elétrons?
ENEM 2025/114
A tirinha ilustra um processo físico em que uma onda sonora, produzida pela Mônica, causa a quebra das taças de cristal. O fenômeno ondulatório que provoca a quebra das taças só é possível em razão de uma característica da voz produzida pela Mônica naquele momento, que, diferentemente do que sugere a tirinha, não está relacionada à sua intensidade.

Esse fenômeno e a característica associada à voz da Mônica são, respectivamente,
ENEM 2025/118
A laje de um depósito de bebidas tem 50 m² de área útil de armazenamento e foi projetada para suportar pressões de até 10⁴ Pa. O gerente do estabelecimento pretende armazenar um produto cuja densidade é 1 250 kg/m³. Considere a aceleração da gravidade igual a 10 m/s².
A altura máxima, em metro, de empilhamento do produto que essa laje é capaz de suportar é
ENEM 2025/119
Em uma comunidade rural, os moradores utilizam uma bomba-d’água alimentada por 100 V de tensão contínua, podendo variar em até 5 V. Um eletrotécnico pretende instalar placas fotovoltaicas para alimentar essa bomba. As placas são idênticas e cada uma apresenta tensão de operação igual a 34 V com corrente de 7,5 A. Além disso, cada placa apresenta 40 V de tensão elétrica quando em circuito aberto. Assim, considerando que a placa descrita é um gerador não ideal, em circuito aberto ela pode ser representada conforme a figura:

O eletrotécnico construiu um circuito que permite à bomba-d’água operar corretamente com o menor número possível de placas conectadas. Para isso, desenhou um diagrama no qual todas essas placas são representadas como um único gerador não ideal, com a especificação das correspondentes características elétricas.
O diagrama que representa o circuito construído pelo eletrotécnico é:





ENEM 2025/120
A figura ilustra as informações contidas no manual de um sistema de alarme que utiliza transmissores e receptores de radiação eletromagnética para a detecção de movimento. O receptor é regulado pelo tempo de resposta, que corresponde ao intervalo de tempo necessário para o corpo do invasor atravessar completamente o feixe, de diâmetro d=15cm.
Considere que a menor porção do corpo de um invasor é a sua posição de perfil, cuja espessura típica é 20cm. São indicados cinco possíveis movimentos de um invasor e suas velocidades típicas, que devem ser observadas para a escolha do tempo de resposta.

Nesse sistema, o menor tempo de resposta, em milissegundo, que garante a detecção de um possível invasor é mais próximo de:
ENEM 2025/122
O aquecimento em fogões por indução utiliza bobinas para produzir um campo magnético variável. Essa bobina se localiza abaixo do vidro cerâmico sobre o qual a panela se apoia. O mecanismo aquece apenas a panela que se encontra na zona de cozimento, o que é uma das principais vantagens em relação ao uso do fogão a gás ou de resistência elétrica.

O uso do campo magnético variável tem a finalidade de:
ENEM 2025/126
Segundo o princípio da independência dos movimentos, de Galileu, sempre que a velocidade resultante de um corpo puder ser decomposta em duas ou mais componentes perpendiculares entre si, cada um desses movimentos poderá ser analisado separadamente como se os outros não existissem. Esse princípio é muito útil para a simplificação de alguns problemas reais, em três dimensões.
Considere um avião que, ao decolar, é instruído pela torre a atingir, em 6 minutos, uma posição de 20 km a Leste, 20 km a Norte e 1 km de altitude em relação ao ponto de decolagem. No entanto, no instante da decolagem, começa a soprar um vento cujo vetor velocidade tem componentes 30 km/h para Leste, 20 km/h para Sul e 1 km/h para baixo.
Durante a ação do vento, a velocidade \( \vec{v} \) que o piloto deve estabelecer em relação ao ar para que o avião chegue à posição esperada no tempo indicado tem as componentes:
ENEM 2025/128
A resistência de um fio de platina pode ser usada para medir temperaturas entre 0°C e 100°C e tem sido utilizada como referência para a escala internacional de temperatura. Para um sensor de platina, a relação entre a resistência e a temperatura pode ser descrita por:
\( R(T) = A + BT \)
em que \( T \) é a temperatura e \( A \) e \( B \) são constantes.
A figura mostra a dependência da resistência com a temperatura para cinco sensores diferentes.
Os sensores que apresentam maior sensibilidade são:
ENEM 2025/130
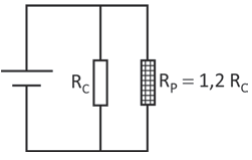
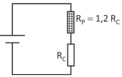
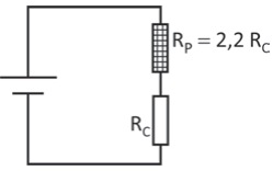
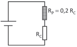
Muitos dispositivos eletrônicos utilizam potências elétricas muito baixas em corrente contínua. Esses dispositivos são alimentados por uma fonte externa ou embutida que converte corrente alternada em corrente contínua de baixa tensão. Devido às especificidades de cada dispositivo, não é possível simplesmente substituir fontes sem considerar a tensão, a corrente ou a potência fornecida.
Considere um dispositivo cuja resistência elétrica é \( R_C \) e que opera corretamente apenas em uma tensão específica. No entanto, a fonte disponível fornece uma tensão 20% maior do que a recomendada. Para adaptar o dispositivo a essa fonte, deve-se adicionar um resistor de proteção \( R_P \) de modo que a potência dissipada no dispositivo seja a adequada.
O circuito correto e o valor de \( R_P \), em relação a \( R_C \), são:





ENEM 2025/132
O nível de intensidade sonora, em decibéis (dB), é dado por:
\( n = 10 \log_{10}\left(\dfrac{I}{I_0}\right) \)
Uma conversa normal gera níveis entre 50 dB e 60 dB, enquanto pessoas gritando podem ultrapassar 100 dB. Em um estádio de futebol, mediu-se, no centro do campo, que uma pessoa gritando “gol” produz um nível sonoro médio de 100 dB.
Estime o nível sonoro médio produzido por 10 000 pessoas gritando “gol” simultaneamente, em diferentes posições do estádio.
ENEM 2025/135
A icterícia é uma doença que acomete recém-nascidos e pode ser tratada com um método de fototerapia conhecido como banho de luz, que consiste na exposição do recém-nascido a uma fonte luminosa equipada com LEDs azuis. Para o monitoramento da dosagem dessa radiação, é utilizada a resposta óptica de um sensor constituído de materiais orgânicos que luminescem quando expostos à luz azul. Com o passar do tempo, essa radiação oxida os materiais do sensor, alterando sua coloração de vermelho-laranja para verde, o que indica o final do tratamento.
O gráfico apresenta o espectro de fotoluminescência do sensor em função do comprimento de onda da luz emitida no início do tratamento, quando o sensor, colado na fralda do bebê (Figura 1), luminesce na região do vermelho-laranja ($\sim 600 \text{ nm}$). A Figura 2 apresenta a evolução da coloração do sensor, mostrando que a frequência da luz emitida por ele aumenta em função do tempo de exposição à luz azul.

Os espectros de fotoluminescência do sensor no início e no final do tratamento estão esboçados no gráfico:
ENEM 2025/136
Uma pessoa pretende instalar um kit de gás natural veicular (GNV) em seu carro. Na loja que escolheu para realizar a compra e instalação desse kit, havia cinco modelos de cilindro para armazenamento do gás, cujas capacidades, em metro cúbico, eram, respectivamente: 10, 14, 17, 21 e 25. O preço do cilindro é proporcional à sua capacidade.
Esse carro rodará 30 km diariamente, 7 dias por semana, e o consumo do GNV é de 1 m³ a cada 13 km rodados. A pessoa escolherá o modelo de cilindro de menor preço e que garanta apenas um abastecimento semanal.
Nessas condições, qual será a capacidade, em metro cúbico, do cilindro escolhido por essa pessoa?
ENEM 2025/138
Em um jogo de computador, um cubo se encontra inicialmente posicionado conforme indicado na figura.

Cada deslocamento efetuado por esse cubo se dá sempre em uma das direções definidas pelos três eixos coordenados.
Ao se movimentar a partir da posição inicial, esse cubo:
A figura que apresenta as projeções ortogonais desse cubo sobre os três planos coordenados, após efetuar as movimentações descritas, é:
ENEM 2025/139
ENEM 2025/142
ENEM 2025/146
ENEM 2025/148
ENEM 2025/160
ENEM 2025/164
ENEM 2025/166
ENEM 2025/172